So, fertig!
Ich habe heute die erste Version des FM Modulators fertig aufgebaut.
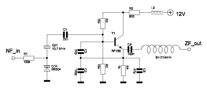
Den frei schwingenden Kreis von der Vorgängerversion hab ich durch einen gezogenen Quarz ersetzt.
Die andere Variante war mir dann doch mit der Zeit zu instabil und ich musste alle 5 min die Frequenz über den C-Poti nachstellen.
Der Quarz hat aber auch einen Nachteil – es ist einfach schwieriger die Frequenz zu verstimmen als vorher. Ein Quarz lässt sich halt nicht so gerne „ziehen“. So bekommt der Modulator weniger Hub. Ist dafür aber in der Frequenz stabiler.
Die zweite Verstärkerstufe wurde jetzt auch überflüssig, da der Oszillator durch die höhere Güte des Quarzes auch mit Last am Ausgang zu schwingen beginnt.
Noch mal zum Vergleich das alte Schaltbild und das neue:
Alt:

Neu:

Und natürlich noch ein Bild:
… und das Spektrum:

… und mal eins mit den Oberwellen:
Die Oberwellen müssen natürlich noch weg gefiltert werden.
Das passiert dann in der ZF-Stufe. Wer genau hinsieht kann die angedockte ZF-Stufe sogar schon im rechten Rand im Bild vom FM-Modulator erkennen.
Aber, das bekommen wir später…